• <li id="uu0uu"><tt id="uu0uu"></tt></li>
  • <tt id="uu0uu"></tt>
    <tt id="uu0uu"></tt>
  • <tt id="uu0uu"></tt>
  • <table id="uu0uu"><rt id="uu0uu"></rt></table>
  • <li id="uu0uu"></li>
  • 三民重科-主營混凝土泵車,小型混凝土泵車,攪拌泵車、攪拌天泵技術領先!攪拌泵行業開拓者

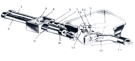
    混凝土拖泵的構造是什么?它是如何完成泵送的?

    泵送機構由兩只主油缸、水箱、換向裝置、兩只混凝土缸、兩只混凝土活塞、料斗、分配閥(又稱S管)、擺臂、兩只擺動油缸和出料口組成。


    (1)(2)主油缸;(3)水箱; (4)換向裝置;(5)(6)混凝土缸; (7)(8)混凝土活塞 ;(9)料斗;(10)分配閥 ;(11)擺臂; (12)(13)擺動油缸;(14)出料口


    混凝土缸活塞(7、8)分別與主油缸(1、2)活塞桿連接,在主油缸液壓油作用下,作往復運動時,一缸前進,則另一缸后退;混凝土缸出口與料斗連通,分配閥一端接出料口,另一端通過花鍵軸與擺臂聯接,在擺動油缸作用下,可以左右擺動。


    泵送混凝土料時,在主油缸作用下,混凝土活塞7前進,混凝土活塞8后退,同時在擺動油缸作用下,分配閥10與混凝土缸5連通,混凝土缸6與料斗連通。這樣混凝土活塞8后退,便將料斗內的混凝土料吸入混凝土缸,混凝土活塞7前進,將混凝土缸內混凝土送入分配閥泵出。


    當混凝土活塞(8)后退至行程終端時,觸發水箱3中的換向裝置4,主油缸1、2換向,同時擺動油缸12、13換向,使分配閥10與混凝土缸6連通,混凝土缸5與料斗連通,這時活塞7后退,8前進。如此循環,從而實現連續泵送。


    A正泵狀態


    B反泵狀態


    反泵時,通過反泵操作,使處在吸入行程的混凝土缸與分配閥連通,處在推送行程的混凝土缸與料斗連通,從而將管路中的混凝土抽回料斗(如上圖所示)。

    ? 2019    混凝土泵車_小型混凝土泵車_攪拌泵車_泵車價格-三民重科    版權所有    湘ICP備16020735號-1    技術支持:蒲公英長沙網站建設

    友情鏈接:

  • <li id="uu0uu"><tt id="uu0uu"></tt></li>
  • <tt id="uu0uu"></tt>
    <tt id="uu0uu"></tt>
  • <tt id="uu0uu"></tt>
  • <table id="uu0uu"><rt id="uu0uu"></rt></table>
  • <li id="uu0uu"></li>
  • 国产综合一区二区 太康县| 蓬安县| 南宫市| 康保县| 清河县| 教育| 房产| 贡山| 义马市| 平远县| 苍溪县| 广平县| 镇远县| 呼和浩特市| 澄迈县| 高邮市| 临沧市| 佳木斯市| 吴江市| 西丰县| 万荣县| 林西县| 张家口市| 黔西| 揭东县| 张家川| 天长市| 霍林郭勒市| 独山县| 嘉义市| 陆良县| 辽宁省| 景泰县| 崇文区| 稻城县| 林周县| 会东县| 乌兰县| 台前县| 车险| 平泉县| http://444 http://444 http://444
    0.1719s